Mágneses szekrényes szeparátor MSS-MC
Kód: MSSMC150/5N-141106 MSSMC200/5N-141124 Változat kiválasztásaTermék részletes leírása
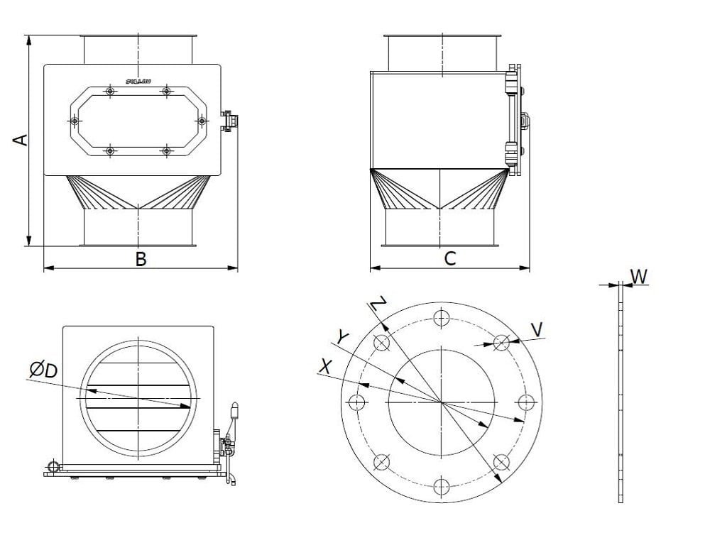
A mágneses szekrényes szeparátor lehetővé teszi a mágneses fémszennyeződések egyszerű és gyors elválasztását a tiszta terméktől és megvédi a gépeket illetve a megtisztított anyagot később feldolgozó berendezéseket a sérülésétől. A mágneses elválasztó alapja egy vagy két kihúzható rozsdamentes acél mágnesrács, amelyen keresztül a megtisztított szárazanyag átesik. A rácscsövek belsejében lévő neodímium mágnesek által generált nagyon erős mágneses tér megfogja a ferromágneses részecskéket a rácsok felületén. Az MSS-MC esetében klasszikus kivitelről van szó, ahol a mágneses rácsok az ajtóval keresztben vannak elhelyezve. Az átlátszó ellenőrző ablaknak köszönhetően folyamatosan ellenőrizhető az anyagáramlás és a csövek szennyezettségi állapota. A tisztítás során a rácsok kihúzhatók a szeparátorból, így könnyen és gyorsan tisztíthatók. A mágneses magok kézi kihúzása után a rozsdamentes acélcsövekről azaz a rácscsövek felületéről a ferromágneses szennyeződések maguktól lehullanak.
| Modell | Max. kapacitás** | Súly (kg) |
A (mm) |
B (mm) |
C (mm) |
D (mm) |
Rudak átmérője (mm) | Az alsó rudak közötti távolság (mm) | A felső rudak közötti távolság (mm) | Távolság az alsó és a felső rudak között (mm) |
| MSS-MC 150/5 N | 7 m3/h | 20 | 300 | 275 | 225 | 149 | 32 | 32 | 32 | 23 |
| MSS-MC 200/5 N | 8 m3/h | 23 | 300 | 320 | 285 | 199 | 32 | 32 | 32 | 23 |
Megjegyzés:
** A maximális kapacitás a tisztított anyag típusától és tulajdonságaitól függ
Általános tulajdonságok
Mágneses paraméterek:
- Mágneses indukció a felületen (mágnes N35 = standard kivitel): 10700 Gauss (1,07 T)
- Mágneses indukció a mágneses magon (mágnes N35 = standard kivitel): 17000 G (1,7 T)
- Mágneses tolerancia: +/- 10 %
Felületkezelés:
- Standard felületkezelés: homokfúvott (Ra 1,6 µm)
További standard paraméterek:
- A szeparátor test anyaga: rozsdamentes acél SS 1.4301 (= AISI 304)
Standard csomagolás:
Sztreccsfólia + kartondoboz
Beszélgetés
Legyen az első, aki véleményt ír ehhez a tételhez!
Mágneseket és mágneses ipari termékeket, neodímium mágneseket, mágneses tasakokat, mágnesfóliákat forgalmazunk és gyártunk.
Kínálatunkban nemcsak szupererős neodímium NdFeB mágneseket talál, hanem ferritmágneseket, SmCo mágneseket és AlNiCo mágneseket is.
Potmágnesek (tartó mágnesek), mágneses fóliák és mágnesszalagok széles választéka. A mágneses tasakok lehetővé teszik a dokumentumok egyszerű elhelyezését és védelmét.
Mágneses szeparátorok és ipari mágnesek gyártói vagyunk, így webáruházunkban mágnesseprűket, mágnesszőnyegeket és mágnesrudakat is talál. A fröccsöntő gépek mágneses elválasztóinak gyártásában szakértőnek tartjuk magunkat – így garatmágnesek, mágnesrácsok és mágneses csillagok széles választékával rendelkezünk.



